Aenean placerat. Mauris dictum facilisis augue.
Fusce aliquam vestibulum ipsum. Duis bibendum, lectus ut viverra rhoncus, dolor nunc faucibus libero, eget facilisis enim ipsum id lacus. Vivamus luctus egestas leo. Pellentesque habitant morbi tristique senectus et...
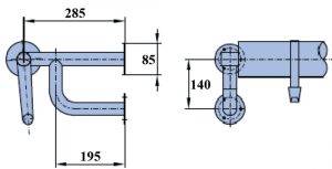
Detail
Světlo Emaux 300W/12V
Bazén kruh MILANO 3m x 1,2m, modrá, s...
Čerpadlo ESPA NOX 25 6M (Niper)
Koleno 45° d12 PN16 PVC
Sací tryska pro prefabrikované bazény
Šroubení L/L PVC d25
Bazén ovál TOSCANA 3,2 x 6,00x 1,50m m...
Natloukací hmoždinka 6x40mm 100ks
Redukce krátká d90-63 PN16 PVC
Teleskopická tyč 1,8-3,6m Bílá Shine
Skimmer Procopi MIRROR - bílý
Přechodová mufna L/Z vnitřní d50x1 1...
Zpětný ventil d40 PVC PN16 EPDM
Dnová tryska regulovatelná do fólie n...
Žárovka LED Brio Eolia2 WEM40 Cool Whi...
T-kus 90° PVC d12
Náhradní kazeta k peristaltickému če...
Přech. Koleno L/Flex d50 PVC
Čerpadlo Badu Picco II/5 5m3/hod 230V
Badu PRIME 48, 48m3/h 230V 3,45kW
Schody Standart 4-st. AISI-304










